iiepci

bus pci

El estándar PCI fue definido por la empresa Intel para asegurarse de que el mercado no se vería inundado con varias arquitecturas de bus local peculiares y específicas para un cierto procesador. La primera revisión del estándar data de 1992. La última revisión (versión 2.2) se hizo disponible en 1999.

sitema pci

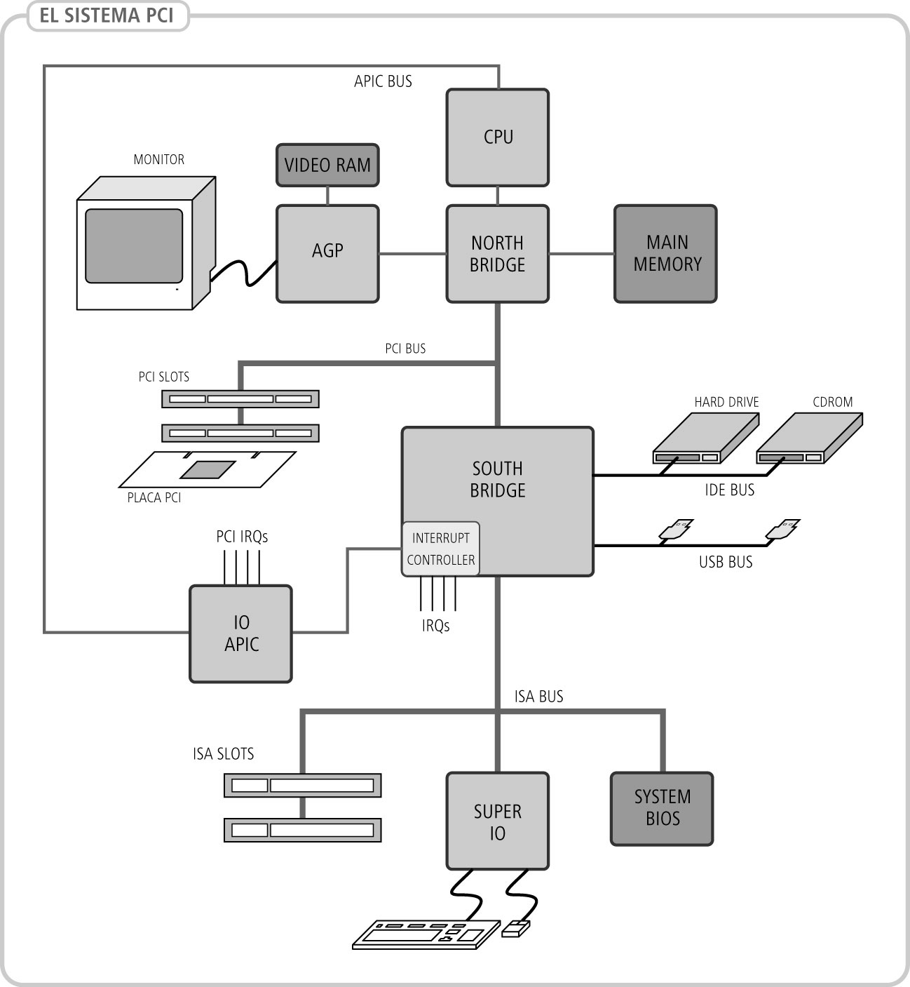
La sigla PCI significa Peripherial Component Interconnect (Interconexión de componentes periféricos). El bus PCI puede ser poblado con dispositivos, o componentes, que requieran acceso rápido entre ellos y a la memoria del sistema, y puedan ser accedidos por el procesador a velocidades que se aproximen a la de su bus local.

Existen dos participantes en cada transacción sobre el bus PCI: el master y el target.
El master tiene la capacidad de iniciar una transacción. El target es accedido por el master para realizar la transacción.
En los diagramas se muestran dos ciclos típicos del bus PCI: lectura y escritura.

ciclo de lectura pci ciclo de escritura pci

Entre las características del bus PCI destacamos: